Hulsanker

fischer Artikelnummer: 519015


Productomschrijving

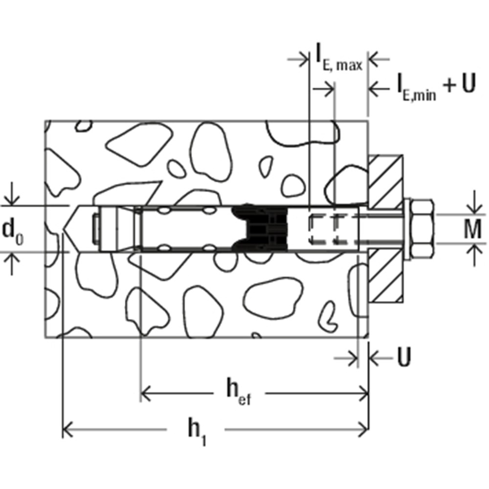
Het fischer Veiligheidsanker FH II-I is een inslaganker met binnendraad van gegalvaniseerd staal. Het anker wordt in de tijdbesparende voorsteekmontage geplaatst. Bij de montage met een ringsleutel wordt de conus in de spreidhuls getrokken en spant deze tegen de wand van het boorgat. Tegelijkertijd trekt het anker door de vervorming van de zwarte kunststof ring samen. Daarmee zit de ankerhuls volgens voorschrift onder de rand van het boorgat. Het fischer Veiligheidsanker FH II-I is ideaal voor de bevestiging van klimtoestellen, sprinklerinstallaties en buisgoten.


  • Merk

    fischer

  • Artikelnummer

    519015

  • EAN

    4048962158298


Specifications

  • Boordiameter

    15 mm

  • Opname

    6 mm / zeskant

  • Pluglengte

    90 mm

  • Max. nuttige lengte

    3 - 5 mm

  • Boorgatdiameter

    15 mm

  • Soort verpakking

    Doos

  • Materiaal

    Overig

  • Min. boorgatdiepte bij voorsteekmontage

    95 mm

  • Min. inschroefdiepte

    12 + U mm

  • Max. inschroefdiepte

    25 mm

  • Alternatief

    elektrolytisch verzinkt staal, kwaliteit 8.8

  • Materiaal / corrosiebescherming

    Elektrolytisch verzinkt

  • Vds-approval

    Ja

  • Content

    20

  • Eta-approval

    Ja

  • Draadmaat (metrisch)

    12

  • Bevestigingsdikte

    250 mm

  •  Voor 12.00 uur besteld, zelfde dag geleverd
  • 2 échte winkels
  • Geen verzendkosten
  • Service na verkoop

Bericht

Hier komt het bericht.