Spanhuls

fischer Artikelnummer: 541893


Productomschrijving

De fischer Spanhuls FNH is een montagevriendelijke spanhuls die is gemaakt van staal met een tegen corrosie beschermende coating. De spanhuls FNH wordt tijdbesparend in de doorsteekmontage met behulp van een hamer ingeslagen en spant zich over de gehele lengte tegen de wand van het boorgat. Daarmee kunnen binnenshuis en tijdelijk buitenshuis onderconstructies van hout en metaal, metalen profielen en kanthout in massief bouwmateriaal tegen lage kosten worden bevestigd.


  • Merk

    fischer

  • Artikelnummer

    541893

  • EAN

    4048962293241


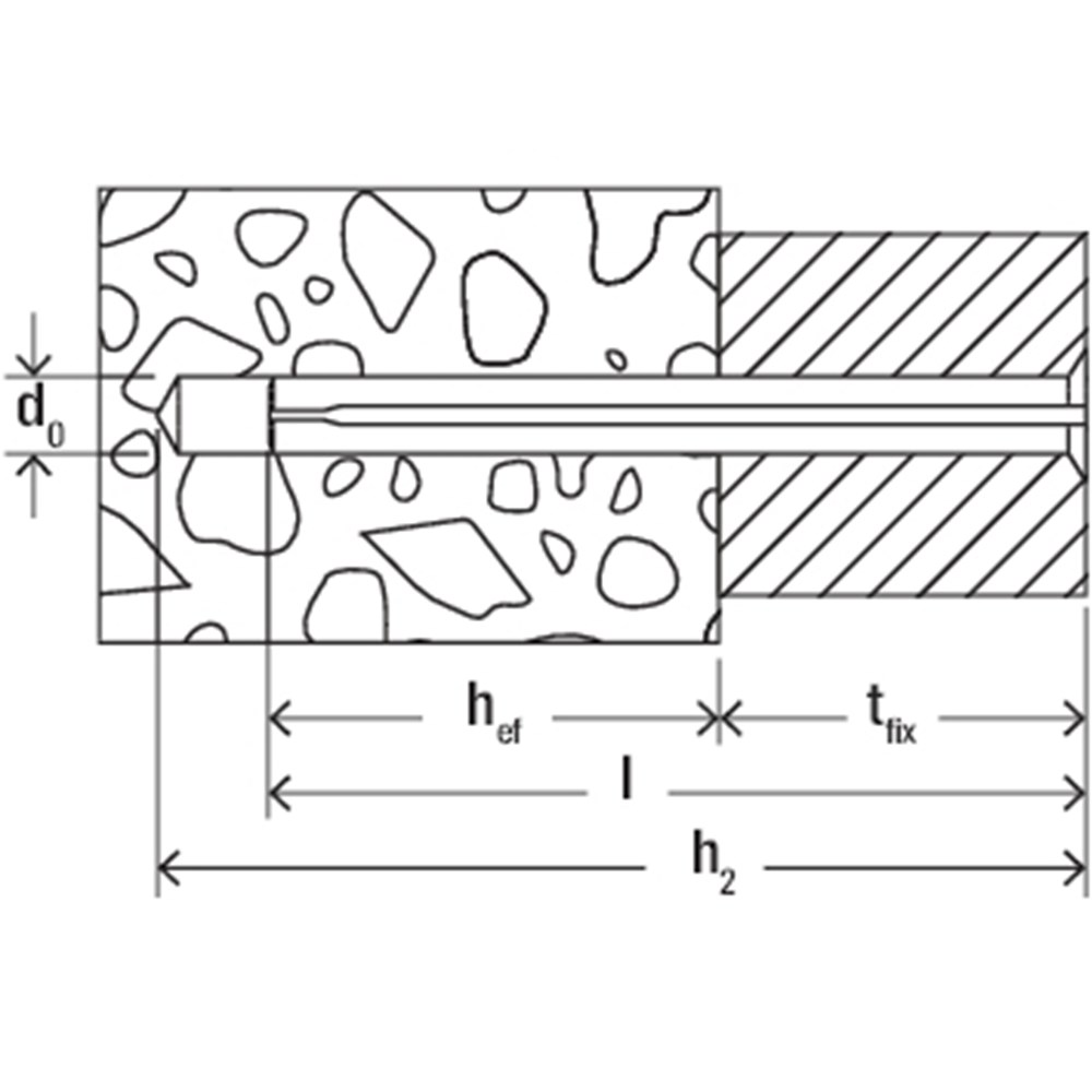
Specifications

  • Boordiameter

    5 mm

  • Pluglengte

    50 mm

  • Effectieve verankeringsdiepte

    20 mm

  • Min. boorgatdiepte bij doorsteekmontage

    60 mm

  • Max. dikte aanbouwdeel

    30 mm

  • Soort verpakking

    Doos

  • Vds-approval

    Ja

  • Content

    100

Varianten

Artikelnummer Boordiameter Pluglengte Effectieve verankeringsdiepte
  •  Voor 12.00 uur besteld, zelfde dag geleverd
  • 2 échte winkels
  • Geen verzendkosten
  • Service na verkoop

Bericht

Hier komt het bericht.